您好!欢迎进入来到康华尔电子爱普生晶振专营!

康华尔电子-中国供应商

Shenzhen KONUAER electronics co. LTD

SEIKO EPSON CRYSTAL CO,LTD.

爱普生晶振
全国统一服务热线:

86-0755-27838351

prevnext

NX3225SA-24.576MHZ-STD-CSR-1,24.576MHz,3225mm,±15ppm车载控制器专用晶振

频率:16MHz~54MHz

尺寸:3.2x2.5mm

NX3225SA-24.576MHZ-STD-CSR-1,24.576MHz,3225mm,±15ppm车载专用晶振 日本进口NDK晶振,型号NX3225SA,编码NX3225SA-24.576M-STD-CSR-1,是一款小体积晶振尺寸3.2×2.5×0.55mm四脚贴片晶振,无源晶振石英晶体谐振器,无铅环保晶振,在极端恶劣的环境条件下也能具有稳定的启动特性,优异的抗环境性能,如耐热、振动和抗冲击性,回流温度分布(可用于无铅焊接),符合AEC-Q200,紧凑的表面安装晶体单元,车规晶振特别适用于汽车电子设备,汽车电子控制板,汽车动力转向控制器,汽车遥控器,汽车音影晶振,汽车胎压检测,通讯设备,无线网络,蓝牙模块,医疗设备,平板电脑等应用。
订购热线:0755-27838351
QQ咨询 点击这里给我发消息

NX3225SA图NX3225SA-24.576MHZ-STD-CSR-1,24.576MHz,3225mm,±15ppm车载专用晶振 日本进口NDK晶振,型号NX3225SA,编码NX3225SA-24.576M-STD-CSR-1,是一款小体积晶振尺寸3.2×2.5×0.55mm四脚贴片晶振,无源晶振石英晶体谐振器,无铅环保晶振,在极端恶劣的环境条件下也能具有稳定的启动特性,优异的抗环境性能,如耐热、振动和抗冲击性,回流温度分布(可用于无铅焊接),符合AEC-Q200,紧凑的表面安装晶体单元,车规晶振特别适用于汽车电子设备,汽车电子控制板,汽车动力转向控制器,汽车遥控器,汽车音影晶振,汽车胎压检测,通讯设备,无线网络,蓝牙模块,医疗设备,平板电脑等应用。


NX3225SA-24.576MHZ-STD-CSR-1,24.576MHz,3225mm,±15ppm车载专用晶振,参数图

Item Model NX3225SA
Nominal Frequency 12 to 64 MHz 16 to 54 MHz 40 to 150 MHz
Overtone Order Fundamental Fundamental 3rd overtone
Frequency Tolerance (25 ±3 °C) ±15 × 10−6 ±10 × 10−6 ±20 × 10−6
Frequency versus Temperature Characteristics (with reference to +25 °C) ±25 × 10−6 ±10 × 10−6 ±25 × 10−6
Operating Temperature Range −40 to +85 °C −20 to +75 °C −40 to +85 °C
Storage Temperature Range −40 to +85 °C
Equivalent Series Resistance Refer to *1 Refer to *2 Refer to *3
Level of Drive 10 μW (Max. 200 μW)
Load Capacitance 8 pF 10 pF Series resonance
Specifications Number STD-CSR-6 STD-CSQ-1 STD-CSR-7

NX3225SA-24.576MHZ-STD-CSR-1,24.576MHz,3225mm,±15ppm车载专用晶振,尺寸图

NX3225SA-2_ 3.2_2.5

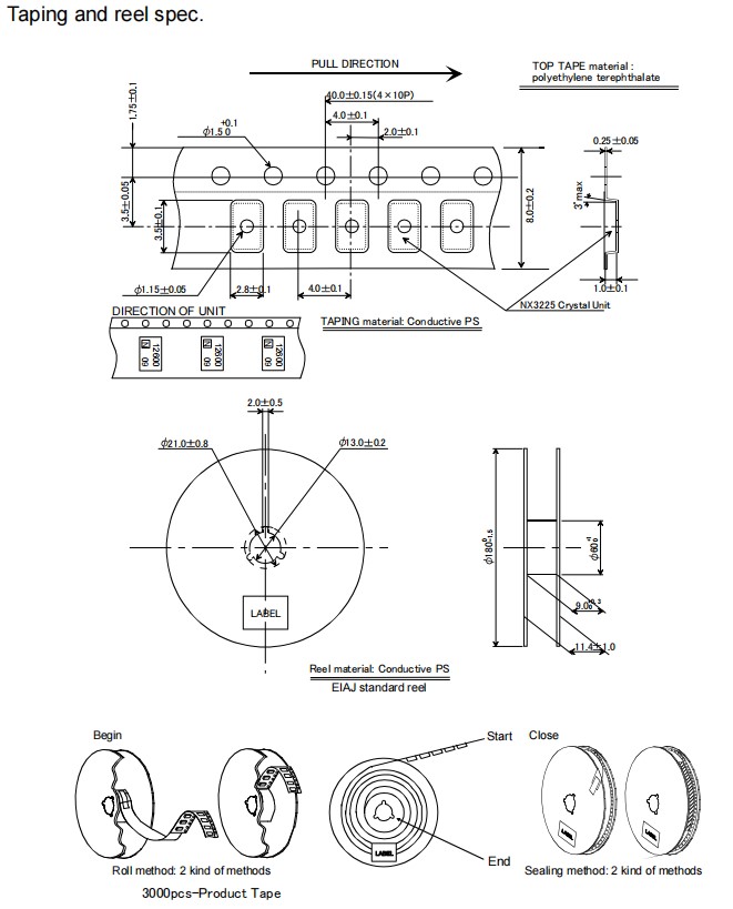
NX3225SA-24.576MHZ-STD-CSR-1,24.576MHz,3225mm,±15ppm车载专用晶振,胶带和卷轴规格

NX3225SA晶振特征:
紧凑型表面安装晶体单元,适用于汽车设备
紧凑且薄(型号:3.2×2.5×0.55 mm)
即使在极其恶劣的环境条件下,它也具有稳定的启动特性
优异的耐环境性能
如耐热性、抗震性和抗震性
回流温度曲线(可用于无铅焊接)
符合AEC-Q200标准

NX3225SA-3

石英贴片晶振 品牌 型号 频率 频率稳定度 包装/封装
NX3225SA-24.000MHZ-STD-CSR-1 NDK晶振 NX3225SA 24MHz ±15ppm 4-SMD, No Lead
NX3225SA-16.000MHZ-STD-CSR-1 NDK晶振 NX3225SA 16MHz ±15ppm 4-SMD, No Lead
NX3225SA-32.000MHZ-STD-CSR-1 NDK晶振 NX3225SA 32MHz ±15ppm 4-SMD, No Lead
NX3225SA-26.000MHZ-STD-CSR-1 NDK晶振 NX3225SA 26MHz ±15ppm 4-SMD, No Lead
NX3225SA-20.000MHZ-STD-CSR-1 NDK晶振 NX3225SA 20MHz ±15ppm 4-SMD, No Lead
NX3225SA-14.31818MHZ-STD-CSR-1 NDK晶振 NX3225SA 14.31818MHz ±15ppm 4-SMD, No Lead
NX3225SA-24.576MHZ-STD-CSR-1 NDK晶振 NX3225SA 24.576MHz ±15ppm 4-SMD, No Lead
NX3225SA-27.000MHZ-STD-CSR-1 NDK晶振 NX3225SA 27MHz ±15ppm 4-SMD, No Lead
NX3225SA-32M-EXS00A-02994 NDK晶振 NX3225SA 32MHz ±15ppm 4-SMD, No Lead
NX3225SA-25.000M-STD-CSR-3 NDK晶振 NX3225SA 25MHz ±15ppm 4-SMD, No Lead
NX3225SA-20.000M-STD-CSR-3 NDK晶振 NX3225SA 20MHz ±15ppm 4-SMD, No Lead
NX3225SA-26.000M-STD-CSQ-1 NDK晶振 NX3225SA 26MHz ±10ppm 4-SMD, No Lead
NX3225SA-30.000M-STD-CSR-3 NDK晶振 NX3225SA 30MHz ±15ppm 4-SMD, No Lead
NX3225SA-32MHZ-EXS00A-CS02368 NDK晶振 NX3225SA 32MHz ±16ppm 4-SMD, No Lead
NX3225SA-25.000M-STD-CRS-2 NDK晶振 NX3225SA 25MHz ±50ppm 4-SMD, No Lead
NX3225SA-27M-STD-CRS-2 NDK晶振 NX3225SA 27MHz ±50ppm 4-SMD, No Lead
NX3225SA-12MHZ-STD-CSR-6 NDK晶振 NX3225SA 12MHz ±25ppm 4-SMD, No Lead
NX3225SA-16MHZ-STD-CSR-6 NDK晶振 NX3225SA 16MHz ±25ppm 4-SMD, No Lead
NX3225SA-26.000000MHZ-G4 NDK晶振 NX3225SA 26MHz ±10ppm 4-SMD, No Lead
NX3225SA-26.000000MHZ-B1 NDK晶振 NX3225SA 26MHz ±10ppm 4-SMD, No Lead
NX3225SA-16.000000MHZ-T1 NDK晶振 NX3225SA 16MHz ±10ppm 4-SMD, No Lead
NX3225SA-26.000000MHZ-G2 NDK晶振 NX3225SA 26MHz ±11ppm 4-SMD, No Lead
NX3225SA-16.000000MHZ-B3 NDK晶振 NX3225SA 16MHz ±15ppm 4-SMD, No Lead
NX3225SA-26.000000MHZ-G3 NDK晶振 NX3225SA 26MHz ±10ppm 4-SMD, No Lead
NX3225SA-39.000000MHZ-B4 耐高温晶振 NX3225SA 39MHz ±10ppm 4-SMD, No Lead
NX3225SA-20.000M-STD-CRS-2 NDK晶振 NX3225SA 20MHz ±50ppm 4-SMD, No Lead
NX3225SA-16.000M-STD-CRS-2 NDK晶振 NX3225SA 16MHz ±50ppm 4-SMD, No Lead
NX3225SA-26.000M-STD-CSR-3 NDK晶振 NX3225SA 26MHz ±15ppm 4-SMD, No Lead
NX3225SA-40.000MHZ-STD-CSR-1 NDK晶振 NX3225SA 40MHz ±15ppm 4-SMD, No Lead
NX3225SA-20.000000MHZ-B2 NDK晶振 NX3225SA 20MHz ±15ppm 4-SMD, No Lead
NX3225SA-114.285MHZ-EXS00A-CS06528 NDK晶振 NX3225SA 114.285MHz ±20ppm 4-SMD, No Lead
NX3225SA-27.12M-STD-CSR-3 NDK晶振 NX3225SA 27.12MHz ±15ppm 4-SMD, No Lead
NX3225SA-12.000M-STD-CRS-2 NDK晶振 NX3225SA 12MHz ±50ppm 4-SMD, No Lead
NX3225SA-12.000MHZ-STD-CSR-1 NDK晶振 NX3225SA 12MHz ±15ppm 4-SMD, No Lead
NX3225SA-13.56M-STD-CSR-3 NDK晶振 NX3225SA 13.56MHz ±15ppm 4-SMD, No Lead
NX3225SA-40M-EXS00A-CS03880 NDK晶振 NX3225SA 40MHz ±17ppm 4-SMD, No Lead
NX3225SA-25.000M-STD-CSR-6 NDK晶振 NX3225SA 25MHz ±25ppm 4-SMD, No Lead
NX3225SA-12MHZ-STD-CSR-3 NDK晶振 NX3225SA 12MHz ±15ppm 4-SMD, No Lead
NX3225SA-24.000M-STD-CSR-3 NDK晶振 NX3225SA 24MHz ±15ppm 4-SMD, No Lead
NX3225SA-22.000MHZ-STD-CSR-1 NDK晶振 NX3225SA 22MHz ±15ppm 4-SMD, No Lead
NX3225SA-25.000MHZ-STD-CSR-1 NDK晶振 NX3225SA 25MHz ±15ppm 4-SMD, No Lead
NX3225SA-12.288M-STD-CSR-3 NDK晶振 NX3225SA 12.288MHz ±15ppm 4-SMD, No Lead
NX3225SA-13M-STD-CSR-6 NDK晶振 NX3225SA 13MHz ±25ppm 4-SMD, No Lead
NX3225SA-12.288M-STD-CRS-2 NDK晶振 NX3225SA 12.288MHz ±50ppm 4-SMD, No Lead
NX3225SA-44.000MHZ-STD-CSR-1 NDK晶振 NX3225SA 44MHz ±15ppm 4-SMD, No Lead
NX3225SA-16MHZ-STD-CSR-3 NDK晶振 NX3225SA 16MHz ±15ppm 4-SMD, No Lead
NX3225SA-40.000M-STD-CRS-2 NDK晶振 NX3225SA 40MHz ±50ppm 4-SMD, No Lead
NX3225DA-16.000MHZ-EXS00A-03311 NDK晶振 NX3225SA 16MHz - 4-SMD, No Lead

NX3225SA-4

深圳市康华尔电子有限公司

QQ联系
632862232
服务热线
138-2330-0879
电话
86-0755-27838351
邮 箱
konuaer@163.com
传 真
+86-0755-27883106
公司地址
广东深圳市宝安宝安大道东95号浙商银行大厦1905
  • 康华尔微信
  • 康华尔公众号

采购:NX3225SA-24.576MHZ-STD-CSR-1,24.576MHz,3225mm,±15ppm车载控制器专用晶振

  • *联系人:
  • *手机:
  • 公司名称:
  • 邮箱:
  • *采购意向:
  • *验证码:验证码