您好!欢迎进入来到康华尔电子爱普生晶振专营!

康华尔电子-中国供应商

Shenzhen KONUAER electronics co. LTD

SEIKO EPSON CRYSTAL CO,LTD.

爱普生晶振
全国统一服务热线:

86-0755-27838351

prevnext

大河晶振,石英晶振,TFX-02S晶振

频率:32.768KHz

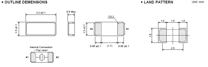
尺寸:3.2*1.5mm

3215mm体积贴片晶振适用于汽车电子领域的表面贴片型石英晶振,本产品已被确定的高信赖性最适合用于汽车电子部件,晶体在极端严酷的环境条件下也能发挥稳定的起振特性,晶振本身具有耐热,耐振,耐冲击等优良的耐环境特性,满足无铅焊接的高温回流温度曲线要求,符合AEC-Q200标准.


订购热线:0755-27838351
QQ咨询 点击这里给我发消息

        大河晶振,石英晶振,TFX-02S晶振贴片晶振本身体积小,超薄型石英晶体谐振器,特别适用于有目前高速发展的高端电子数码产品,因为晶振本身小型化需求的市场领域,小型?薄型是对应陶瓷谐振器(偏差大)和普通的石英晶体谐振器(偏差小)的中间领域的一种性价比较出色的产品.产品广泛用于笔记本电脑,无线电话,卫星导航HDD, SSD, USB, Blu-ray等用途,符合无铅焊接的高温回流焊曲线特性.

       石英晶振高精度晶片的抛光技术:贴片晶振是目前晶片研磨技术中表面处理技术的最高技术,最终使晶振晶片表面更光洁,平行度及平面度更好,降低谐振电阻,提高Q值。从而达到一般研磨所达不到的产品性能,使陶瓷晶振的等效电阻等更接近理论值,使晶振可在更低功耗下工作。使用先进的牛顿环及单色光的方法去检测晶片表面的状态。

大河晶振规格

单位

晶振频率范围

石英晶振基本条件

标准频率

f_nom

32.768KHZ

标准频率

储存温度

T_stg

-40°C  +125°C

裸存

工作温度

T_use

-40°C  +85°C

标准温度

激励功率

DL

200μW Max.

推荐:1μW  100μW

频率公差

f_— l

±50 × 10-6 (标准),
(±15 × 10-6  ±50 × 10-6 可用)

+25°C 对于超出标准的规格说明,
请联系我们以便获取相关的信息,http://www.epsoncrystal.com/

频率温度特征

f_tem

±30 × 10-6/-20°C  +70°C

超出标准的规格请联系我们.

负载电容

CL

8pF ,10PF,12PF,20PF

超出标准说明,请联系我们.

串联电阻(ESR)

R1

如下表所示

-40°C —  +85°C, DL = 100μW

频率老化

f_age

±5 × 10-6 / year Max.

+25°C,第一年

TFX-02S_3.2_1.5

1.DIP 产品

已变形的石英晶振引脚不能插入板孔中。请勿施加过大压力,以免引脚变形。

2.SOJ 产品和SOP 产品

请勿施加过大压力,以免石英晶振引脚变形。已变形的石英晶振引脚焊接时会造成浮起。尤其是SOP产品需要更加小心处理。

3.超声波清洗

(1)使用AT-切割晶体和表面滤波器波(SAW)/声表面谐振器的产品,可以通过超声波进行清洗。但是,在某些条件下, 晶振特性可能会受到影响,而且内部线路可能受到损坏。确保已事先检查系统的适用性。

(2)使用音叉晶体和陀螺仪传感器的产品无法确保能够通过超声波方法进行清洗,因为晶振可能受到破坏。

(3)请勿清洗开启式晶振产品

(4)对于可清洗晶振产品,应避免使用可能对产品产生负面影响的清洗剂或溶剂等。

(5)焊料助焊剂的残留会吸收水分并凝固。这会引起诸如位移等其它现象。这将会负面影响产品的可靠性和质量。请清理残余的助焊剂并烘干PCB。

大河晶振,石英晶振,TFX-02S晶振

        大河晶振公司集团作为“地球内企业”,在保护地球环境方面发挥着领导作用。我们尊重历史、文化和传统的多样性,并致力于“CSR经营”和“环境经营”。SMD贴片晶振为取得社会的信任,为推动环境负荷最小化,大河晶振集团还开展了各种各样的活动。

        大河晶振集团在“制造、使用、有效利用、再利用”这样一个产品生命周期中,努力创造丰富的价值,超小面积3215晶振给社会带来温馨和安宁,感动和惊喜,同时为减少环境影响,努力做好“防止地球变暖、有效利用资源、对化学物质进行管理”,实现与地球的和谐相处。

        大河晶振集团运用ISO14001环境管理系统进行环境管理,32.768K贴片晶振尽最大可能减小业务活动对环境造成的负担,并通过业务发展推进环境改善。

大河晶振,石英晶振,TFX-02S晶振

深圳市康华尔电子有限公司

QQ联系
632862232
服务热线
138-2330-0879
电话
86-0755-27838351
邮 箱
konuaer@163.com
传 真
+86-0755-27883106
公司地址
广东深圳市宝安宝安大道东95号浙商银行大厦1905
  • 康华尔微信
  • 康华尔公众号

采购:大河晶振,石英晶振,TFX-02S晶振

  • *联系人:
  • *手机:
  • 公司名称:
  • 邮箱:
  • *采购意向:
  • *验证码:验证码