ECS-RTC-3225-5699C3体积小巧实时时钟装置
在物联网,便携式电子,智能穿戴,工业控制等现代电子领域,随着技术的快速迭代和市场需求的不断升级,设备小型化,轻量化已成为不可逆的发展趋势,越来越多的企业开始聚焦小型化,高密度集成的产品设计,这就对核心元器件的体积,功耗与综合性能提出了更为严苛的要求.实时时钟(RTC)作为保障设备时间同步,数据精准记录,时序控制的核心基础组件,其体积大小直接影响设备整体设计的灵活性和紧凑性,而计时精准度与低功耗表现则直接决定设备的运行可靠性和用户体验.作为ECS晶振品牌官方授权代理,康华尔电子深耕电子元器件行业多年,始终专注于为企业提供高品质,高适配的频率控制与计时解决方案,今日为大家重点解析ECS-RTC-3225-5699C3实时时钟装置——这款以"体积小巧"为核心亮点,兼具高精度,低功耗,高稳定性,高兼容性的优质产品,助力企业突破小型设备设计瓶颈,降低研发成本,实现产品快速迭代升级.康华尔电子全程原厂直供,提供专业选型指导,样品测试,售后保障等一站式服务,咨询热线:0755-27838351,欢迎广大企业来电洽谈合作.
关于ECS:深耕频率控制,铸就RTC品质标杆
ECS(ECSInc.)作为全球领先的频率控制与计时解决方案提供商,自成立以来已拥有45余年的行业深耕经验,始终专注于石英晶振,实时系统时钟应用晶振(RTC),振荡器,谐振器等频率控制产品的研发,生产与销售,凭借深厚的技术积淀,严苛的品质管控体系和完善的全球产业布局,在全球频率控制领域占据重要地位,产品远销全球多个国家和地区,服务于数千家电子企业.ECS深耕实时时钟领域多年,依托前沿的电路设计技术,精密的制造工艺和严格的成品检测流程,打造了一系列适配不同行业,不同场景的RTC产品,兼顾性能与实用性,能够满足消费电子,工业控制,物联网等多领域的差异化需求,广泛服务于全球数千家电子企业,成为通信,物联网,工业控制,消费电子等领域头部企业的优选合作伙伴,其产品的稳定性和可靠性得到行业内的高度认可.
ECS-RTC-3225-5699C3作为ECS小型化RTC产品系列的核心型号,精准契合当下电子设备小型化,轻量化,低功耗的发展需求,以小巧体积为核心优势,同时融入高精度计时,低功耗运行,高可靠性等核心特性,彻底打破了"体积小则性能弱"的行业误区,成为小型电子设备的理想计时选择.康华尔电子作为ECS晶振品牌官方授权代理,全程直接对接ECS原厂供应链,跳过所有中间流通环节,确保所有产品均为原厂原装正品,杜绝假货,翻新货,切实保障产品质量与性能;同时,我们配备专业的技术服务团队,为企业提供全方位的技术咨询,选型指导,样品测试及售后支持,一站式解决企业在RTC选型,应用,调试过程中遇到的各类难题,助力企业降本增效.
ECS-RTC-3225-5699C3核心亮点:小巧体积,暗藏强劲性能
ECS-RTC-3225-5699C3最突出的优势就是其小巧的体积设计,同时兼顾高精度,低功耗,高可靠性,高兼容性等核心特性,完美适配小型化电子设备的设计需求,无需占用过多设备内部空间,为设备整体设计提供更大的灵活度,能够帮助企业在有限的空间内实现更多功能集成,提升产品的市场竞争力,其核心亮点具体如下:
1.体积小巧,适配小型设备高密度集成
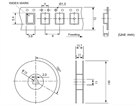
ECS-RTC-3225-5699C3采用行业标准的3225贴片晶振封装,具体尺寸为3.2mm×2.5mm×0.7mm,属于小型化RTC产品中的主流规格,相比传统4025,5032封装的RTC装置,体积大幅缩减30%以上,能够轻松嵌入小型电子设备内部,完美适配智能穿戴,便携式测试设备,物联网终端,小型工业控制器等对空间要求严苛的产品.其紧凑的封装设计不仅能有效节省设备内部空间,还能配合设备高密度集成的设计需求,助力企业打造更小巧,更轻便,更具竞争力的终端产品,满足市场对小型化设备的需求.同时,该封装采用先进的表面贴装(SMD)工艺,焊接精度高,兼容性强,能够完美适配现代电子制造业的自动化焊接流程,降低生产过程中的焊接不良率,提升生产效率;且端子采用金/镍镀层工艺,不仅能进一步提升焊接性能,还能增强产品的抗氧化能力和耐腐蚀能力,延长产品使用寿命,降低设备维护成本.
2.高精度计时,保障数据同步可靠性
作为实时时钟装置,计时精度是核心性能指标,直接关系到设备数据记录,时序控制的准确性.ECS-RTC-3225-5699C3内置高精度32.768kHz晶体单元,依托ECS45余年成熟的石英晶体技术和精密的电路校准工艺,实现高精度计时,频率稳定性可达±20ppm(常温环境,即25℃),能够有效减少温度,湿度,电压波动等环境因素对计时精度的影响,确保设备时间同步的准确性.无论是物联网终端的数据采集计时,智能穿戴设备的时间显示与运动数据记录,还是工业控制设备的运行时序控制,数据日志记录,该产品都能提供稳定,精准的计时支撑,有效避免因时间偏差导致的数据丢失,设备运行异常,生产故障等问题.同时,产品具备优异的频率老化性能,年老化率低至±3×10/年,能够确保产品在长期运行过程中的计时精度稳定性,无需频繁校准,大幅降低设备维护成本和人工成本.
3.超低功耗,延长设备续航寿命
小型电子设备(如物联网终端,智能穿戴,便携式测试晶振)大多依赖电池供电,功耗水平直接决定设备的续航能力,也是影响用户体验的关键因素.ECS-RTC-3225-5699C3采用优化的低功耗电路设计,经过多次工艺优化和性能调试,工作电流低至0.3μA,待机电流更是低至微安级,相比传统RTC产品功耗大幅降低50%以上,能够有效延长设备续航时间,解决小型设备续航不足的行业痛点.即使在设备休眠状态下,该产品也能保持精准计时,同时维持超低功耗,真正实现计时可靠性与节能需求的完美兼顾,完美适配电池供电的小型电子设备.此外,其供电电压支持1.8V,2.5V,3.0V,3.3V多规格适配,能够灵活匹配不同设备的供电系统,无需额外添加电压转换模块,进一步提升产品兼容性,降低企业研发成本和设计难度.
4.高可靠性,适配多元复杂场景
ECS-RTC-3225-5699C3具备优异的环境适应性和运行可靠性,能够适配多种复杂恶劣的应用场景.其标准工作温度范围为-40℃至85℃,储存温度范围可达-40℃至100℃,能够轻松适应户外,工业生产现场,高温高湿等复杂恶劣的工作环境,不受高低温,湿度波动,气压变化等因素影响,确保设备在极端条件下也能稳定计时.产品全面符合RoHS,Reach等国际环保认证标准,采用无铅设计,环保无污染,满足全球环保要求,助力企业产品顺利出口,规避环保合规风险.同时,产品具备较强的抗冲击能力和抗振动能力,能够承受贴装过程中以及设备使用过程中的轻微冲击和振动,避免内部晶体单元损坏,提升产品使用寿命,减少设备故障发生率,降低企业维护成本.此外,该产品支持IIC总线接口,通信速率稳定,便于设备的控制与调试,提升设备运行灵活性,适配不同的设备控制系统.
ECS-RTC-3225-5699C3核心技术参数,精准匹配选型需求
为方便广大企业快速选型,减少选型误差,降低选型成本和选型风险,康华尔电子结合自身多年的ECS产品代理经验,丰富的行业应用案例以及技术团队的专业储备,全面整理了ECS-RTC-3225-5699C3的核心技术参数,清晰,直观地呈现产品的各项性能指标,同时提供一对一的专业选型建议,帮助企业根据自身产品设计需求,应用场景特点,精准匹配合适的RTC型号,避免选型不当导致的产品故障或性能不足,具体核心技术参数如下:
产品型号:ECS-RTC-3225-5699C3(ECS小型化RTC核心型号,原厂标准型号,可直接对接原厂供应链)
产品类型:小型化实时时钟(RTC)装置,6G交换机晶振内置高精度石英晶体单元,集成计时,时钟校准等核心功能
封装规格:3225贴片封装(具体尺寸3.2mm×2.5mm×0.7mm),表面贴装(SMD)工艺,适配自动化焊接
计时精度:内置32.768kHz高精度晶体单元,频率稳定性±20ppm(常温环境,25℃),温度漂移小
供电电压:支持1.8V,2.5V,3.0V,3.3V多规格适配,宽电压设计,适配不同设备供电需求,兼容性强
功耗参数:工作电流低至0.3μA,待机电流微安级,超低功耗设计,适配电池供电小型设备
工作温度:-40℃至85℃,标准宽温适配,可适应户外,工业现场等复杂恶劣环境,稳定性强
储存温度:-40℃至100℃,裸存状态下仍能保持性能稳定,便于企业库存管理和长期储存
接口类型:支持IIC总线接口,通信速率稳定,便于设备控制与调试,提升设备运行灵活性
频率老化:±3×10??/年(Max.,+25℃,初年度),老化率低,长期运行精度稳定,无需频繁校准
环保认证:全面符合RoHS2compliant,Reachcompliant环保标准,无铅设计,满足全球环保要求,便于产品出口
焊接性能:峰值焊接温度可达260℃(持续10秒),适配现代电子制造业自动化焊接工艺,焊接不良率低
多领域应用,赋能小型设备升级迭代
凭借体积小巧,高精度,低功耗,高可靠性,高兼容性的核心优势,ECS-RTC-3225-5699C3广泛应用于各类小型电子设备,覆盖物联网,智能穿戴,工业应用晶振,消费电子,医疗设备等多个核心领域,精准匹配不同场景的计时需求,为各行业小型设备升级迭代提供有力支撑,帮助企业突破设计瓶颈,提升产品竞争力,具体应用场景如下:
1.物联网终端领域
在物联网终端领域,智能传感器,物联网网关,无线抄表设备,智能安防终端等产品,大多具有体积小巧,依赖电池供电,部署环境复杂等特点,ECS-RTC-3225-5699C3凭借小巧体积和超低功耗,成为这类产品的理想选择.该产品的小型封装能够轻松嵌入设备内部,不占用过多空间,便于设备实现小型化,轻量化设计;超低功耗设计则能有效延长终端设备的续航时间,减少电池更换频率,降低物联网终端的运维成本.同时,其高精度计时性能能够保障物联网终端数据采集,传输的时间同步准确性,确保数据记录的完整性和一致性,助力物联网产业向小型化,低功耗,智能化方向发展.
2.智能穿戴与便携式设备领域
智能手表,手环,便携式测试仪器,手持终端,便携式音频设备等产品,对体积和续航有着极高要求,同时需要精准的计时性能支撑产品功能实现.ECS-RTC-3225-5699C3的3225小型封装能够完美适配这类设备的设计需求,紧凑的体积不影响设备的整体外观与便携性,能够帮助企业打造更轻薄,更美观的产品.超低功耗设计能够有效延长穿戴设备,便携式设备的续航时间,提升用户体验,解决用户"续航焦虑";高精度计时则能确保时间显示,运动数据记录,测试数据计时的准确性,为产品性能提供可靠支撑,助力企业打造更具竞争力的小型便携式产品,抢占市场先机.
3.工业控制领域
在工业控制领域,小型工业控制器,数据采集模块,PLC辅助设备,工业传感器等产品,对空间布局要求严苛,同时需要稳定的计时性能保障设备运行时序和数据记录的准确性.ECS-RTC-3225-5699C3的小巧体积能够适配工业设备的高密度集成设计,节省设备内部空间,便于设备的整体布局;宽温适配特性使其能够在工业生产现场的高低温,湿度波动等恶劣环境下稳定运行,不受环境因素影响;高精度计时则能保障工业控制设备的时序控制准确性,避免因时间偏差导致的生产故障,数据错误等问题,提升工业生产效率与稳定性,降低企业生产成本.
4.消费电子与医疗设备领域
在消费电子领域,小型智能家电,便携式音频设备,数码配件,通讯模块应用晶振,小型游戏机等产品,均需要小型化,高精度的RTC组件,ECS-RTC-3225-5699C3能够完美适配这类产品的设计需求,兼顾体积与性能,帮助企业打造更具市场竞争力的消费电子产品.在医疗设备领域,小型便携式医疗监测设备,健康手环,便携式血糖仪等产品,对功耗和精度要求极高,该产品的超低功耗设计能够有效延长医疗设备的续航时间,满足户外或移动监测需求;高精度计时特性则能保障医疗设备数据监测的准确性,为医疗诊断提供可靠的数据支撑,为医疗健康产品的升级提供有力保障.
作为ECS晶振品牌官方授权代理,康华尔电子始终坚守"原厂直供,正品保障,专业服务,高效供货"的核心原则,深耕电子元器件行业多年,积累了丰富的产品资源,行业经验和技术储备,为广大企业提供ECS全系列产品,包括ECS-RTC-3225-5699C3在内的各类实时时钟,晶振,振荡器,谐振器等,所有产品均直接对接ECS原厂供应链,原厂直供,杜绝假货,翻新货,严格保障产品质量与性能,让企业采购更放心,更省心.同时,依托ECS原厂的产能优势和充足的库存储备,我们保障产品供货稳定,库存充足,可实现快速交付,有效规避市场缺货,断货,价格波动等风险,为企业长期稳定生产提供有力支撑;目前该型号供货总量充足,可实现3天内发货,满足企业批量采购,紧急补货等需求,降低企业库存成本和资金占用.
我们拥有一支专业的技术服务团队,团队成员均具备丰富的ECS产品应用经验与深厚的行业技术储备,熟悉ECS-RTC-3225-5699C3的产品特性,选型技巧,应用场景及调试方法,能够根据企业的产品设计需求,技术参数要求,应用场景特点,提供一对一的产品选型指导,技术咨询,样品测试,应用方案优化等全方位服务,帮助企业快速匹配适配的RTC型号,有效降低企业研发成本,选型风险与时间成本.同时,我们还提供完善的售后支持,建立了快速响应机制,及时解决企业在产品使用过程中遇到的各类问题,包括焊接调试,性能优化,故障排查等,让企业无后顾之忧,专注于产品研发与生产.
无论您是需要ECS-RTC-3225-5699C3的样品申请,选型咨询,还是批量采购,售后保障,康华尔电子都能为您提供全方位,一站式的服务支持.我们始终坚持以客户为中心,倾听客户需求,优化服务流程,提升服务质量,致力于成为企业信赖的电子元器件合作伙伴,诚邀广大企业来电洽谈合作,携手共赢,共促产业升级,助力企业实现高质量发展!
咨询热线
康华尔电子(ECS进口晶振官方代理)——专业提供ECS全系列实时时钟,晶振产品与一站式应用解决方案,深耕行业多年,凭借原厂直供优势,专业技术服务和稳定供货能力,赢得广大企业的信赖与支持.
咨询电话:0755-27838351
我们将第一时间响应您的咨询需求,为您提供ECS-RTC-3225-5699C3的详细产品参数,样品申请,专业选型建议及定制化应用方案,协助您解决选型,应用过程中的各类难题,助力您的小型电子设备快速升级迭代,提升市场竞争力,携手共创行业新价值!
ECS-RTC-3225-5699C3体积小巧实时时钟装置
|
ECS-TXO-2016-33-200-TR |
ECS晶振 |
ECS-TXO-2016 |
TCXO |
20 MHz |
|
ECS-2520S33-120-FN-TR |
ECS晶振 |
ECS-2520S |
XO |
12 MHz |
|
ECS-2520S18-250-FN-TR |
ECS晶振 |
ECS-2520S |
XO |
25 MHz |
|
ECS-2520S33-100-FN-TR |
ECS晶振 |
ECS-2520S |
XO |
10 MHz |
|
ECS-2520S33-260-FN-TR |
ECS晶振 |
ECS-2520S |
XO |
26 MHz |
|
ECS-2520S33-400-FN-TR |
ECS晶振 |
ECS-2520S |
XO |
40 MHz |
|
ECS-3963-800-BN-TR |
ECS晶振 |
ECS-3963-BN |
XO |
80 MHz |
|
ECS-2520SMV-250-FP-TR |
ECS晶振 |
ECS-2520SMV |
XO |
25 MHz |
|
ECS-TXO-32CSMV-400-BN-TR |
ECS晶振 |
ECS-TXO-32CSMV |
TCXO |
40 MHz |
|
ECS-2520SMV-160-FP-TR |
ECS晶振 |
ECS-2520SMV |
XO |
16 MHz |
|
ECS-2520SMV-240-FP-TR |
ECS晶振 |
ECS-2520SMV |
XO |
24 MHz |
|
ECS-2520SMV-500-FP-TR |
ECS晶振 |
ECS-2520SMV |
XO |
50 MHz |
|
ECS-2520SMV-100-FP-TR |
ECS晶振 |
ECS-2520SMV |
XO |
10 MHz |
|
ECS-2520SMV-120-FP-TR |
ECS晶振 |
ECS-2520SMV |
XO |
12 MHz |
|
ECS-TXO-3225MV-500-TR |
ECS晶振 |
ECS-TXO-3225MV |
TCXO |
50 MHz |
|
ECS-TXO-3225-160-TR |
ECS晶振 |
ECS-TXO-3225 |
TCXO |
16 MHz |
|
ECS-TXO-25CSMV-400-BN-TR |
ECS晶振 |
ECS-TXO-25CSMV |
TCXO |
40 MHz |
|
ECS-3525-1250-B-TR |
ECS晶振 |
ECS-3525 |
XO |
125 MHz |
|
ECS-TXO-2520-33-200-AN-TR |
ECS晶振 |
ECS-TXO-2520 |
TCXO |
20 MHz |
|
ECS-3225SMV-120-FP-TR |
ECS晶振 |
ECS-3225SMV |
XO |
12 MHz |
|
ECS-3225SMV-100-FP-TR |
ECS晶振 |
ECS-3225SMV |
XO |
10 MHz |
|
ECS-TXO-5032-200-TR |
ECS晶振 |
ECS-TXO-5032 |
TCXO |
20 MHz |
|
ECS-TXO-3225-147.4-TR |
ECS晶振 |
ECS-TXO-3225 |
TCXO |
14.7456 MHz |
|
ECS-TXO-3225-200-TR |
ECS晶振 |
ECS-TXO-3225 |
TCXO |
20 MHz |
|
ECS-TXO-5032-100-TR |
ECS晶振 |
ECS-TXO-5032 |
TCXO |
10 MHz |
|
ECS-TXO-5032-250-TR |
ECS晶振 |
ECS-TXO-5032 |
TCXO |
25 MHz |
|
ECS-TXO-32CSMV-270-AN-TR |
ECS晶振 |
ECS-TXO-32CSMV |
TCXO |
27 MHz |
|
ECS-TXO-2520MV-240-AY-TR |
ECS晶振 |
ECS-TXO-2520MV |
TCXO |
24 MHz |
|
ECS-2520SMV-250-GP-TR |
ECS晶振 |
ECS-2520SMV |
XO |
25 MHz |
|
ECS-2033-073-BN |
ECS晶振 |
ECS-2033 |
XO |
7.3728 MHz |
|
ECS-TXO-2520MV-400-AN-TR |
ECS晶振 |
ECS-TXO-2520MV |
TCXO |
40 MHz |
|
ECS-2532HS-160-3-G |
ECS晶振 |
ECS-2532HS |
XO |
16 MHz |
|
ECS-3963-1000-BN-TR |
ECS晶振 |
ECS-3963-BN |
XO |
100 MHz |
|
ECS-3951M-1000-BN-TR |
ECS晶振 |
ECS-3951M-BN |
XO |
100 MHz |
|
ECS-2100AX-120 |
ECS晶振 |
ECS-2100X |
XO |
12 MHz |
|
ECS-2200BX-040 |
ECS晶振 |
ECS-2200X |
XO |
4 MHz |
|
ECS-100AX-300 |
ECS晶振 |
ECS-100X |
XO |
30 MHz |
|
ECS-100A-500 |
ECS晶振 |
ECS-100 |
XO |
50 MHz |
|
ECS-100A-050 |
ECS晶振 |
ECS-100 |
XO |
5 MHz |
|
ECS-2532HS-250-3-G |
ECS晶振 |
ECS-2532HS |
XO |
25 MHz |
|
ECS-2100A-080 |
ECS晶振 |
ECS-2100 |
XO |
8 MHz |
|
ECS-2532HS-270-3-G |
ECS晶振 |
ECS-2532HS |
XO |
27 MHz |
|
ECS-8FMX-073-TR |
ECS晶振 |
ECS-8FX |
XO |
7.3728 MHz |
|
ECS-8FA3X-500-TR |
ECS晶振 |
ECS-8FX |
XO |
50 MHz |
|
ECS-8FMX-080-TR |
ECS晶振 |
ECS-8FX |
XO |
8 MHz |
|
ECS-8FA3X-250-TR |
ECS晶振 |
ECS-8FX |
XO |
25 MHz |
|
ECS-2200BX-100 |
ECS晶振 |
ECS-2200X |
XO |
10 MHz |
|
ECS-100AX-080 |
ECS晶振 |
ECS-100X |
XO |
8 MHz |
|
ECS-100AX-100 |
ECS晶振 |
ECS-100X |
XO |
10 MHz |
|
ECS-100AX-500 |
ECS晶振 |
ECS-100X |
XO |
50 MHz |
|
ECS-100AX-040 |
ECS晶振 |
ECS-100X |
XO |
4 MHz |
|
ECS-100A-010 |
ECS晶振 |
ECS-100 |
XO |
1 MHz |
|
ECS-100A-251.7 |
ECS晶振 |
ECS-100 |
XO |
25.175 MHz |
|
ECS-2100A-020 |
ECS晶振 |
ECS-2100 |
XO |
2 MHz |
|
ECS-2100A-018 |
ECS晶振 |
ECS-2100 |
XO |
1.8432 MHz |
|
ECS-2100A-024 |
ECS晶振 |
ECS-2100 |
XO |
2.4576 MHz |
|
ECS-2100A-040 |
ECS晶振 |
ECS-2100 |
XO |
4 MHz |
|
ECS-100A-196.6 |
ECS晶振 |
ECS-100 |
XO |
19.6608 MHz |
|
ECS-100AX-160 |
ECS晶振 |
ECS-100X |
XO |
16 MHz |
|
ECS-2200BX-320 |
ECS晶振 |
ECS-2200X |
XO |
32 MHz |



欧美进口SUNTSU晶振,6G无线模块晶振,SXT32410AA07-13.560M高品质晶振
美国SUNTSU进口6G路由器晶振,SXT11410AA07-25.000M四脚无源
美国西迪斯进口345LB5C2457T差分晶振,LVPECL输出差分晶振,6G通讯模块晶振
